产品中心
  • 产品简介

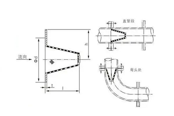
    锥形临时过滤器

    锥形临时过滤器

    临时过滤器属于管道粗过滤器系列中较为简单过滤器形式,是一种设计用于短期或临时性过滤的设备,通常用于管道系统、设备调试、施工维护或应急场景,以去除液体或气体中的颗粒物、杂质或悬浮物。其结构可分为板式、锥底式、平底式等,安装在管道上能除去流体中的较大固体杂质,使机器设备(包括压缩机、泵等)、仪表能正常工作和运转,达到稳定工艺过程,保障安全生产的作用。临时过滤器通体为不锈钢材质。我公司的临时过滤器能根据客户具体要求(特殊压力、特殊口径)订制。它以结构简单、安装便捷、成本低为特点,广泛应用于水处理、白酒生产、化工、建筑工地等行业,特别适合临时管道或非长期运行的系统。

    应用范围 ·化工,石油化工生产中的弱腐蚀性物料,如:水,氨,油品,烃类等·化工生产中的强腐蚀性物料,如:烧碱,浓稀硫酸,碳酸,醋酸,酯酸等:·制冷中的低温物料,如:液甲烷,液氨,液氧和各种冷剂: 轻工食品,制药生产中有卫生要求的物料,如:酒,饮料,乳制品,粮浆医药用品等。
    适用介质 去除液体或气体中的颗粒物、杂质或悬浮物
    咨询电话 15565210810


    锥形临时过滤器

    锥形临时过滤器作为工业管道系统中的关键辅助设备,其稳定性直接关系到下游设备的安全运行与工艺流程的连续可靠。这种以锥形结构为核心的过滤装置,通过结构设计、材质选择、性能参数优化等多重维度,构建了从短期过滤到长期适配的稳定性保障体系。

    656.jpg



    一、结构设计:简单可靠的稳定性基础

    锥形临时过滤器的稳定性首先源于其极简而精准的结构设计。其核心由可拆卸滤筒固定滤网组成,整体通过法兰、对焊或螺纹连接方式夹装在管道两法兰之间,这种"模块化"结构从根本上减少了泄漏点与故障源。

    力学特性优势

    • 锥形内壁将压力均匀分散,避免局部应力集中

    • 形成稳定涡流,提升杂质拦截效率

    • 降低因流速突变产生的压力波动

    • 可在0.25-10Mpa工作压力范围内稳定运行

    模块化设计特点

    • 可拆卸滤筒便于维护与更换

    • 标准化尺寸实现"即装即用"

    • 滤筒与壳体精密配合,确保过滤间隙一致

    • 避免因安装偏差导致的短路流

    注:锥形结构相比平板式过滤器,在相同管道直径下可提供更大的过滤面积,同时通过流体动力学优化,显著降低了压力损失。


    二、材质选择:环境适应性决定的长期稳定

    材质是锥形临时过滤器应对复杂工业环境的"第一道防线",其科学选型直接决定了设备在不同介质、温度、压力条件下的稳定性。

    壳体材质多元化选择

    材质类型适用工况优势特点
    碳钢(A3)-30℃~+350℃的非腐蚀性工况               成本低廉,机械强度优异
    304不锈钢一般酸碱介质环境铬镍合金成分,适用于食品、制药等卫生级场景                                    
    316L不锈钢强腐蚀环境添加钼元素,抗氯离子腐蚀能力显著提升
    铜合金(H62)特定介质系统良好的导热性和耐腐蚀性
    衬里材质特殊腐蚀环境兼具基体强度与衬里耐腐蚀性

    滤网材质与精度设计

    耐温性能

    304/316L不锈钢滤网耐温范围可达-80℃~+480℃,在高温蒸汽或低温制冷剂中不易脆化或氧化

    精度范围

    10-300目/in的精准网孔尺寸,从拦截大颗粒焊渣(10目)到过滤细微胶体(300目)

    均匀性控制

    滤网的均匀性误差控制在5%以内,避免因网孔不均导致的过滤效果波动


    三、性能参数:标准化与适配性的双重保障

    锥形临时过滤器的稳定性并非单一参数的体现,而是压力、温度、流量等多参数协同作用的结果,其性能边界通过严格的标准化设计得以明确。

    压力适应能力

    • 遵循GB81~59、HGJ532-91等标准

    • DN32~500规格,设计压力PN0.6~5.0

    • 水压测试:试验压力为工作压力的1.5倍

    • 可承受瞬间压力冲击≤1.2倍工作压力

    温度稳定范围

    • 碳钢:-30℃~+350℃

    • 不锈钢:-80℃~+480℃

    • 低温环境保持韧性,避免脆断

    • 高温下机械强度衰减率≤10%

    密封系统优化

    • 丁晴橡胶(NBR):适用于油类介质

    • 聚四氟乙烯(PTFE):耐酸碱腐蚀

    • 金属垫片:适配高温高压场景

    • 针对性选择阻断介质泄漏风险


    四、应用场景:针对性适配的稳定表现

    锥形临时过滤器的稳定性在不同行业场景中呈现出"定制化稳定"的特点,即通过材质与参数的组合,适配特定工况的严苛要求。

    化工行业

    针对烧碱、浓稀硫酸等强腐蚀性介质,316L壳体+PTFE衬里的组合可实现长期稳定运行。

    核心稳定指标

    滤网的抗腐蚀性能确保12个月内无穿孔风险

    制冷系统

    -80℃的低温环境下,专用不锈钢材质展现出优异的稳定性。

    核心稳定指标

    滤网与壳体的热膨胀系数匹配度≤0.5×10⁻⁶/℃

    食品医药领域

    304L不锈钢(低碳含量)+镜面抛光处理的滤筒,满足卫生级要求。

    核心稳定指标

    耐受CIP清洗,不释放金属离子,保障物料纯度

    管线开车前清洁

    大过滤面积设计,可在短时间内拦截大量焊渣、铁锈等杂质。

    核心稳定指标

    过滤面积增加30%,压力损失控制在0.1Mpa以内


    五、标准与维护:全生命周期的稳定性管理

    锥形临时过滤器的稳定性并非"一次性"的出厂达标,而是通过标准化生产与科学维护实现的全生命周期保障。

    标准化生产控制

    • 1严格遵循GB150-98《钢制压力容器》、HGJ532-91《化工管道过滤器》等标准

    • 2原材料检验(如不锈钢的光谱分析)

    • 3成品水压测试(保压30分钟无压降)

    • 4每环节的标准化控制使产品性能波动范围≤3%

    科学维护方案

    • 1可拆卸滤筒设计便于稳定性维护

    • 2当滤网表面杂质堆积导致进出口压差超过0.5Mpa时,需进行维护

    • 3可快速拆卸清洗或更换滤网,恢复过滤效率

    • 4在长期间歇使用中(如季节性生产的食品生产线)仍能保持稳定性能



    新乡市平原滤器液压有限公司          豫ICP备2020032507号-2