DFP系列板式连接高压过滤器是高压液压系统中保护关键元件的重要设备。能够有效清除液压油中的固体颗粒污染物,保护泵、阀、油缸等液压元件免受磨损和堵塞, 延长设备使用寿命,提高系统可靠,广泛应用于冶金、机床、工程机械、 电力、石化等工业领域。
| 应用范围 | 冶金、矿山设备、重载润滑系统、大型液压系统、冶金、石化、电力、机械加工等行业的液压系统过滤 |
| 适用介质 | 矿物油、乳化液、水乙二醇、磷酸酯液压液 |
| 咨询电话 | 15565210810 |
DFP系列板式连接高压过滤器是专为高压液压系统设计的精密过滤设备,采用国际标准设计制造, 能够有效清除液压油中的固体颗粒污染物,保护泵、阀、油缸等液压元件免受磨损和堵塞, 延长设备使用寿命,提高系统可靠性。
该系列过滤器结构紧凑,安装便捷,适配多种液压系统,广泛应用于冶金、机床、工程机械、 电力、石化等工业领域。
设计工作压力高达31.5MPa,满足各类高压液压系统需求,确保在极端工况下稳定运行。
提供3μm至200μm多种过滤精度选择,满足不同系统清洁度要求,有效保护敏感液压元件。
可选配多种污染发讯器,实时监测滤芯状态,及时提醒更换,避免系统故障。
按照国际标准设计,由上盖和筒体组成,结构坚固耐用
标准配置无污染物发讯器,可根据需求选配不同类型发讯器
采用高品质材料制造,具备优异的耐腐蚀性和耐压性能
确保可靠过滤功能,保护易损液压元件免受磨损
通过国际标准质量和性能检测,确保过滤效果稳定可靠
符合DIN ISO 2491、DIN ISO 2492、ISO 3724等多项国际标准

标准配置:丁腈橡胶密封,适用于普通液压油
特殊配置:氟橡胶密封,适用于HFD油液
密封性能可靠,确保在高压工况下无泄漏
安装方式
板式安装
温度范围
-10℃至+100℃
发讯器设定压力
ΔP=0.5MPa±10%
旁通阀开启压力
ΔP=0.6MPa±10%
了解DFP系列过滤器的型号编码规则,帮助您快速准确地选择适合的产品型号
| 代码段 | 含义说明 | 可选参数 |
|---|---|---|
| DFP | 过滤器型式 | 板式连接高压过滤器 |
| BH/HC | 滤芯材料 | BH/HC:复合玻璃纤维 BN/HC:复合玻璃纤维 W:不锈钢金属网 |
| 60 | 壳体规格(流量) | 60, 110, 140, 160, 240, 280, 330, 500, 660 |
| Q | 工作压力 | Q=31.5MPa(所有规格) |
| B | 接口型式/规格 | B:O17.5 C:O21.4 D:O41 |
| 10 | 过滤精度(μm) | BH3HC, BN3HC, V:3, 5, 10, 20 W:25, 50, 100, 200 |
| D | 污染发讯器型式 | A:无 B:目视污染发讯器,带锁紧螺塞 C:电气污染发讯器 D:目视/电气污染发讯器 |
| 1 | 型号代号 | 1:整体式 2:分体式 |
| X | 改型代号 | X:提供最新型 |
| /-L24 | 补充参数 | V:氟橡胶密封 W:丁腈橡胶密封 L:指示灯(24V,48V,110V,220V) B6:旁通阀,开启压力0.6MPa |
| 代码段 | 含义说明 | 可选参数 |
|---|---|---|
| 0060 | 规格 | 0060, 0110, 0140, 0160, 0240, 0280, 0330, 0500, 0660 |
| D | 型式 | D |
| 010 | 过滤精度(μm) | 003, 005, 010, 020, 025, 050, 100, 200 |
| BH/HC | 滤芯材料 | BH3HC, BN3HC, W, V |
| /-V | 补充参数 | V:氟橡胶密封 W:丁腈橡胶密封 |
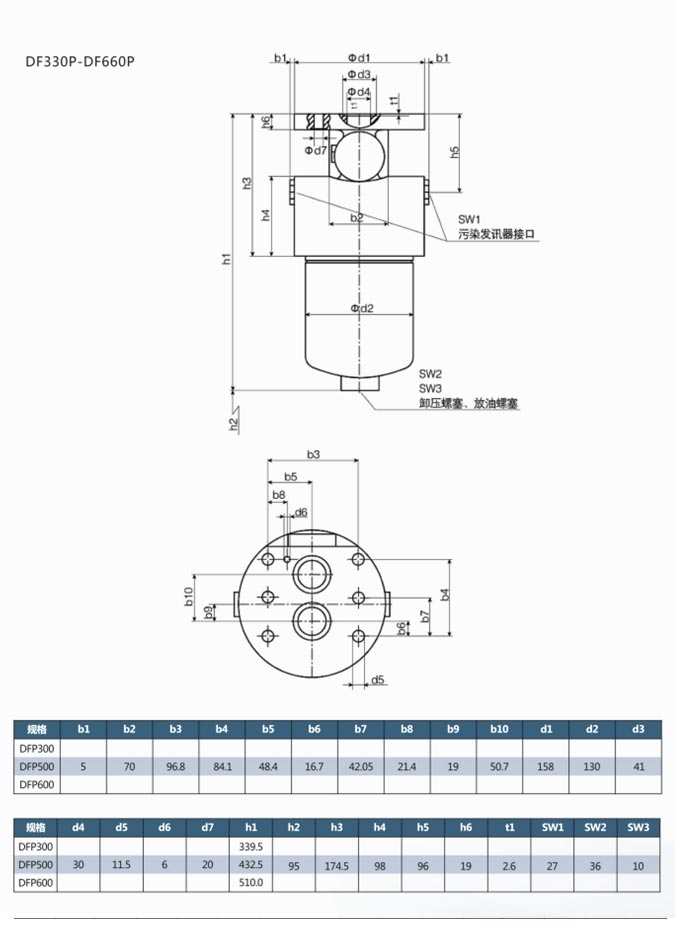
以下为DFP系列过滤器的详细尺寸参数(单位:mm),便于安装设计和系统集成

| 型号 | b1 | b2 | b3 | b4 | b5 | b6 |
|---|---|---|---|---|---|---|
| DFP60 | 6 | 104 | 80 | 89 | 31.8 | - |
| DFP110 | - | - | - | - | - | - |
| DFP140 | - | - | - | - | - | - |
| DFP160 | - | - | - | - | - | - |
| DFP240 | 6 | 115 | 110 | 90 | 86 | 61 |
| 型号 | b7 | b8 | b9 | b10 | b11 | b12 | b13 | b14 |
|---|---|---|---|---|---|---|---|---|
| DFP60 | - | 31.6 | - | 7.5 | 55.9 | - | 24.1 | - |
| DFP110 | - | - | - | - | - | - | - | - |
| DFP140 | - | - | - | - | - | - | - | - |
| DFP160 | - | - | - | - | - | - | - | - |
| DFP240 | 57 | 38 | 14 | 12.5 | 57.5 | 9 | 12 | 26.5 |

| 型号 | b1 | b2 | b3 | b4 | b5 | b6 |
|---|---|---|---|---|---|---|
| DFP300 | 5 | 70 | 96.8 | 84.1 | 48.4 | 16.7 |
| DFP500 | - | - | - | - | - | - |
| DFP600 | - | - | - | - | - | - |
| 型号 | d4 | d5 | d6 | d7 | h1 | h2 | h3 | SW1 |
|---|---|---|---|---|---|---|---|---|
| DFP300 | - | - | - | - | 339.5 | - | - | - |
| DFP500 | 30 | 11.5 | 6 | 20 | 432.5 | 95 | 174.5 | 27 |
| DFP600 | - | - | - | - | 510.0 | - | - | - |
根据您的系统需求选择合适的DFP系列过滤器,确保最佳过滤效果和系统保护
根据系统最大流量选择合适的壳体规格,建议预留20%的流量余量,确保过滤效果。
例如:系统流量为50L/min,建议选择60规格的过滤器。
确认系统工作压力不超过过滤器的额定压力31.5MPa,特殊高压系统需提前咨询。
型号中Q代表31.5MPa工作压力等级。
根据系统中最精密元件的要求选择过滤精度,伺服阀系统建议3-5μm,一般液压系统可选择10-20μm。
玻纤滤材提供更高精度,金属网滤材适合粗过滤。
根据系统管路尺寸选择合适的接口规格(B/O17.5, C/O21.4, D/O41),确保安装兼容。
参考型号解析中的接口型式对照表。
根据系统使用的液压介质选择合适的密封材料,标准丁腈橡胶适用于矿物油,氟橡胶适用于特殊介质。
型号中V代表氟橡胶密封,W代表丁腈橡胶密封。
无人值守系统建议选择电气发讯器(C型或D型),配合指示灯使用,及时提醒滤芯更换。
型号中D代表目视+电气发讯器组合。
| 型式 | 接口 | 60 | 110 | 140 | 160 | 240 | 280 | 330 | 500 | 660 |
|---|---|---|---|---|---|---|---|---|---|---|
| B | Ø17.5 | ● | ● | ● | - | - | - | - | - | - |
| C | Ø21.4 | - | - | - | ● | ● | ● | - | - | - |
| D | Ø41 | - | - | - | - | - | - | ● | ● | ● |
确定系统工作压力和流量需求,选择相应壳体规格
根据系统清洁度要求,选择合适的过滤精度
根据油液类型,选择适当的密封材料(丁腈橡胶或氟橡胶)
根据安装空间和连接方式,选择合适的接口型式
根据维护需求,选择是否需要污染发讯器及类型
确认是否需要特殊配置(如指示灯、旁通阀等)
•冶金工业:轧机液压系统、连铸设备液压系统
•机床工业:数控机床液压系统、加工中心液压系统
•工程机械:挖掘机、装载机、起重机液压系统
•电力工业:汽轮机控制系统、液压执行机构
•石化工业:液压传动系统、液压控制系统
联系我们
电话: 15565210810
联系人:张娇
邮箱:3456137263@qq.com
地址: 河南省新乡市红旗区工业园海马路1号
关注官方抖音平台
关注官方百家号
关注官方微信平台新乡市平原滤器液压有限公司 豫ICP备2020032507号-2