产品中心
  • 产品简介

    燃油过滤器RYL

    燃油过滤器RYL

    RYL系列燃油过滤器主要用于有效滤除燃油中的固体颗粒和胶状物质,控制工作介质的清洁度。该系列燃油过滤器产品主要用于航空系统的试验器和发动机试车台的燃油供油系统中,滤除燃油中的固体颗粒及胶状物质,有效控制工作介质的清洁度。
    其中 RYL-16、RYL-22、RYL-32 可直接用于液压系统中。

    应用范围 航空系统的试验器和发动机试车台的燃油供油系统,滤除燃油中的固体颗粒及胶状物质,有效控制工作介质的清洁度
    适用介质 航空煤油(RP-1, RP-2, RP-3)、汽油、矿物油、矿物油、乳化液 磷酸酯液压液、水-乙二醇
    咨询电话 15565210810


    产品概述

    RYL系列燃油过滤器是专为燃油系统设计的精密过滤设备,能够有效去除燃油中的固体颗粒、杂质和胶状物质,保护发动机和其他关键设备免受磨损和堵塞。广泛应用于航空航天、工业液压、石油化工等领域。

    系统保护

    有效过滤杂质,保护发动机和精密部件免受磨损,延长设备寿命

    性能稳定

    宽压力和温度范围适应能力,确保在各种工况下的过滤效率

    多种配置

    提供多种过滤精度、材料和附加功能选择,满足不同应用需求



    技术参数


    特性维度选项/描述备注/常见值
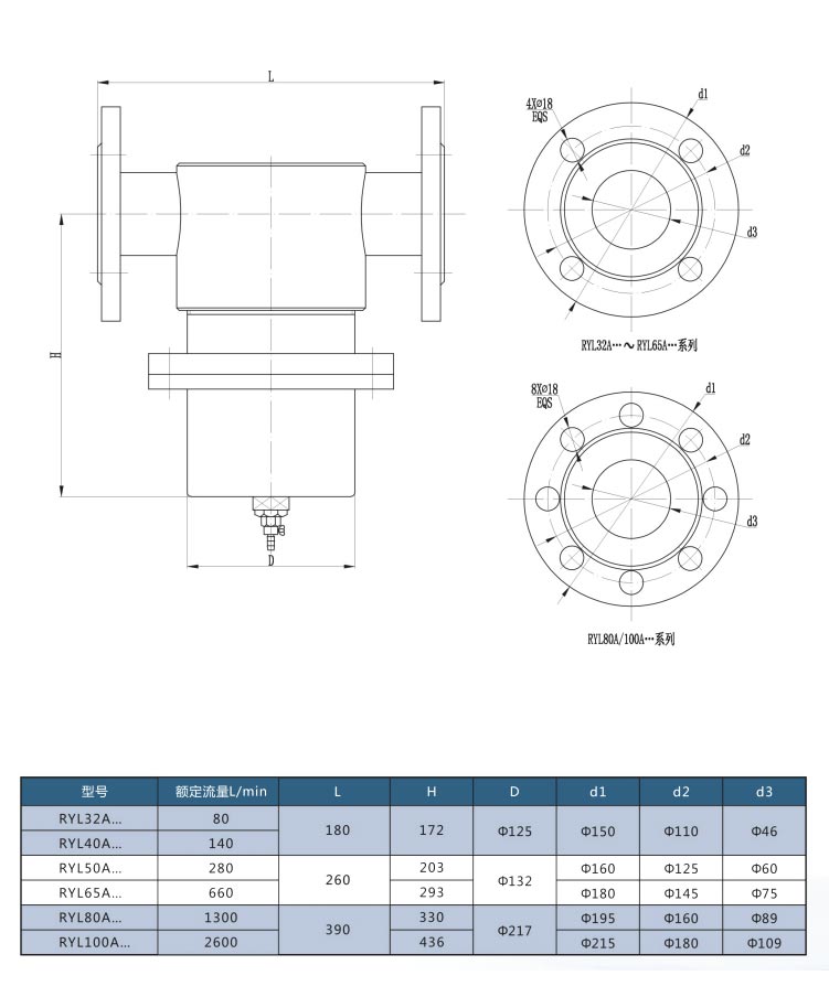
    系列代号RYL-32A、40A、50A、65A、80A、100A燃油过滤器系列
    工作压力低压型:0-1.6 MPa
    根据系统压力选择匹配型号
    额定流量


    80、140、280、660、1300、2600L/min

    根据系统最大流量选择
    过滤精度


    RC不锈钢烧结毡B. ≤100

    RD不锈钢烧结毡B..c≤100

    RV不锈钢烧结毡β.c≤100

    MV不锈钢编织网20um

    MP不锈钢编织网30μm

    ME不锈钢编织网40um

    MS不锈钢编织网60um

    MS不锈钢编织网80um


    常见范围:1-100μm, 3-40μm, 5-100μm
    工作温度常见:-55℃ ~ 125℃
    其他范围:-25℃ ~ 110℃ 或 -10℃ ~ 120℃
    高温时需特殊材料
    过滤材料不锈钢特种网
    不锈钢纤维烧结毡
    复合玻璃纤维
    根据精度和耐温需求选择
    壳体材质不锈钢、铸铝不锈钢耐腐蚀性更好
    连接方式法兰连接、螺纹连接(如M48x2)需与系统管路匹配
    工作介质航空煤油(RP-1, RP-2, RP-3)
    汽油、矿物油、澄清水等
    需确认材料相容性
    附加功能压差发讯器、旁通阀
    排污阀、除水功能
    根据系统需求选择



    型号代码解读


    RYL的型号通常包含一系列字母和数字,它们分别代表了不同的特性。

    RYL [代号] [过滤精度] [工作介质] 

    示例型号解析

    RYL80AMV1

    RYL:系列
    80A:代号
    MV:不锈钢编织网20μm
    1:矿物油、乳化液





    选型注意事项

    选择合适的RYL燃油过滤器时,需要重点关注以下几点

    1

    工作压力与温度

    明确系统的最大工作压力和油液正常工作温度范围。燃油温度≥60℃时,过滤材料应选不锈钢特种网或不锈钢纤维烧结毡;若≥100℃时,选型时需特别说明。

    2

    过滤精度

    根据系统目标清洁度等级和待保护元件的敏感度选择。精度越高(数值越小),滤除的颗粒物越小,但流通阻力也可能增加,需平衡考虑。

    3

    流量规格

    依据系统的最大流量选择过滤器的通径或规格,保证其压力损失在允许范围内,避免产生过大压降或成为系统瓶颈。

    4

    过滤材料

    • 不锈钢金属网:强度好,可清洗重复使用

    • 不锈钢纤维烧结毡:纳污容量较大,精度较高

    • 玻璃纤维复合滤材:可实现较高过滤精度

    5

    接口型式

    确认过滤器与系统管路的连接方式(如法兰标准、螺纹规格等)是否匹配。常见的有法兰连接和螺纹连接。

    6

    附加功能

    • 压差发讯器:滤芯堵塞报警

    • 旁通阀:确保系统供油不中断

    • 排污阀:便于排出杂质和水分

    • 除水功能:控制含水量在100ppm以下

    7

    油液相容性

    确保过滤器的所有材料(密封材料如氟胶、壳体材质、滤材)与工作介质(如燃油类型:航空煤油RP-1/2/3、矿物油、澄清水等)完全相容,避免因材料不相容导致的泄漏或过滤效率下降。



    安装与维护建议


    • 安装位置

      常见于燃油供油管路、液压系统压力或回油管路,具体取决于你想保护的对象和过滤目的。建议安装在泵的出口端或关键设备的入口端。

    • 流向注意

      安装时务必注意过滤器壳体上的流向标识,确保燃油按正确方向流过过滤器,否则会影响过滤效果并可能损坏过滤器。

    • 滤芯更换

      当压差发讯器报警(如指示压差达到0.35MPa)或依据设备维护周期时,应及时更换或清洗滤芯(若为可清洗型)。更换时注意防止污染物进入系统。

    • 排气与排污

      安装后或更换滤芯后,应注意排除过滤器内的空气。定期通过排污阀排出壳体底部积存的杂质和水分,特别是在潮湿环境或有冷凝水的系统中。

    • 电气连接

      如果安装了压差发讯器等电气部件,确保电气连接正确、牢固,并进行必要的绝缘测试,避免短路或信号失效。

    5998.jpg


    总结

    RYL系列燃油过滤器提供了广泛的型号选择和配置选项,能够满足不同行业和应用场景的燃油过滤需求。选择时需综合考虑系统压力、流量、温度、介质类型以及所需的过滤精度。

    对于关键设备或复杂工况,强烈建议直接咨询厂家专业技术工程师,能提供更精准的选型建议,确保过滤器与系统的完美匹配。



    新乡市平原滤器液压有限公司          豫ICP备2020032507号-2