产品中心
  • 产品简介

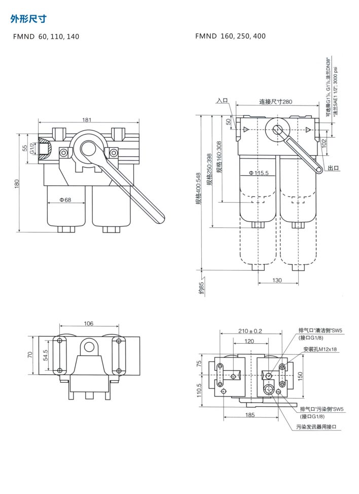
    双筒管路高压过滤器FMND

    双筒管路高压过滤器FMND

    FMND双筒高压管路过滤器|国产替代贺德克主要用于液压系统管路中介质的精过滤,本过滤器安装在管路上使用,滤芯采用玻璃纤维材料折叠而成,具有过滤精度高、通油量大、原始压力损失小、纳污能量大等优点。它可以在系统不关闭的情况下,通过该过滤器内的3通切换球阀完成双筒的切换,以便于检修和更换新的滤芯。

    应用范围 石油、化工、冶金、航空、电子、电力、制药、环保、原子能、核工业、天然气
    适用介质 矿物油、润滑油、合成液、水乙二醇
    咨询电话 15565210810


    产品介绍

    FMND系列双筒管路高压过滤器为高压液压系统提供可靠过滤保护

     型号说明

    3646554665.jpg

     

    该过滤器是由上盖和筒体组成。标准型号不带旁通阀,但有排气螺塞,可根据不通要配置不同的发讯器,并且有内置压力平衡。安装:过滤器适于管路安装。温度范围:-10℃℃至+100℃C;设定压力:^P=0.5Mpa-10%其他设定压力请咨询;旁通阀的开启压力:“P=0.7Mpa±10%


    产品概述

    FMnd系列双筒管路高压过滤器是专为高压液压系统设计的精密过滤设备,可直接安装在高压管路中。其创新的双筒设计允许在系统不停机的情况下更换滤芯,确保高压系统连续运行,有效清除油液中的固体颗粒和污染物,保护高压泵、伺服阀、比例阀等核心精密元件。

    核心优势

    • 超高耐压设计,额定工作压力可达31.5MPa,峰值压力42MPa

    • 双筒结构设计,实现在线更换滤芯,无需系统停机

    • 高强度壳体材料,经过严格耐压测试和疲劳测试

    • 高精度过滤材料,提供3-20μm多种过滤精度选择

    • 集成高压型压差发讯装置,实时监控滤芯状态

    • 优化的流道设计,压力损失小,确保系统效率

    应用价值

    在高压液压系统中,微小的污染物都可能导致严重的设备损坏和安全隐患。FMND系列高压过滤器能有效控制油液清洁度,显著降低高压元件的磨损和故障风险,延长设备使用寿命,减少非计划停机,特别适合对系统安全性和连续性要求极高的高压液压系统。



    产品特性

    FMND双筒管路高压过滤器的核心特性与优势

    超高耐压性能

    额定工作压力可达31.5MPa,测试压力达47MPa,适用于各种高压液压系统主回路和控制回路。

    双筒在线切换

    独特的双筒设计配合高压切换阀,可在系统运行中快速切换过滤筒,实现不停机更换滤芯。

    高强度结构

    采用高强度合金材料制造,经过精密加工和热处理,确保在高压环境下的结构安全和使用寿命。

    高压压差发讯

    配备高压型压差发讯器,发讯压差可根据系统需求设定,及时提醒更换滤芯,确保过滤效果。

    高精度过滤

    提供3-20μm多种精度选择,采用高效玻璃纤维或金属网过滤材料,确保出色的过滤效率和纳污能力。

    低压力损失

    优化的内部流道设计,最大限度降低压力损失,提高系统效率,减少能量损耗。


    选型指南

    如何选择适合您系统的FMND系列双筒管路高压过滤器

    型号特征说明

    系列代号FMND
    滤芯类型
    BN/HC (Betamicron玻纤)
    BH/HC (Betamicron玻纤)
    W/HC (不锈钢金属网)
    公称规格60, 110, 140, 160, 250, 400
    (额定流量L/min)
    工作压力L (代表210 bar)
    接口/阀类型不同字母代号(如D, F, K等)
    过滤精度10μm, 25μm等
    发讯器类型A (电信号发讯器)
    附加选项L24 (24V电压等)

      

    型号示例: 

    FMND BN/HC 250LDE10A1.X/-L24

    MND BH/HC   400LDK3Y1.X/-L24

    MND W/HC   160LDE25B1.X/-L24

    MND BH/HC  140LDD50C1.X/-L24

    MND BN/HC  110LDD100A1.X/-L24

    MND BH/HC  60LDD100A1.X/-L24

    选型注意事项

    流量 (规格)

    根据液压系统的最大工作流量选择对应规格(如60、110、140、160、250、400 L/min),确保过滤器能顺畅处理所有流量,压降在允许范围内。

    过滤精度

    根据系统对油液清洁度的要求选择。精度越高(如10μm),能滤除的颗粒物越小,但对油液的阻力也可能更大,需平衡考虑。

    工作压力

    确保过滤器的额定工作压力(FMND系列通常为210bar)高于系统可能出现的最高工作压力

    滤芯材质 (BN/HC, BH/HC, W/HC)

    • BN/HC 和 BH/HC 采用玻璃纤维滤材,通常精度高、纳污能力强,适用于一般矿物油、合成液等。

    • W/HC 采用不锈钢金属网,强度好,可清洗重复使用(但精度通常相对较低),适用于特殊工况或需要重复使用的场合。

    接口型式

    确认过滤器与系统管路的连接方式(如螺纹规格、法兰标准等)是否匹配。

    发讯器

    如果需要及时知道滤芯堵塞,应选择带压差发讯器的型号(如代码中含 A),它能在压差达到设定值时发出电信号或视觉警告。

    旁通阀

    如果系统对安全性和连续性要求极高,担心滤芯完全堵塞后断流,可选择带旁通阀的型号。但需注意,标准型号通常不带旁通阀。

    油液相容性

    确认过滤器与系统使用的工作介质(如矿物油、合成液、水乙二醇等)相容。

    安装与使用提示

    安装位置

    通常安装在液压系统的压力管路回油管路上,具体位置取决于你想保护哪些元件和控制何种污染。

    滤芯更换

    当压差发讯器报警或依据设备维护周期时,应及时更换滤芯。双筒设计允许你在不停机的情况下切换并更换滤芯。

    排气

    过滤器通常装有排气螺塞,安装或更换滤芯后应注意排除系统空气。

    总结

    FMND系列双筒高压过滤器型号提供了丰富的组合选项。最关键的是根据你的液压系统的实际工况(流量、压力、介质)、所需的过滤精度以及维护习惯来做出选择。对于关键设备或复杂工况,建议直接咨询厂家或专业技术工程师,他们能提供更精准的选型建议。


    工作原理

    FMND双筒管路高压过滤器的工作流程与切换操作


    65489987.jpg

    高压环境下的双筒切换操作

    1. 当压差发讯器发出信号时,表示正在使用的滤芯需要更换

    2. 缓慢转动高压切换阀手柄(建议在系统压力相对稳定时操作)

    3. 观察压力表确认切换完成,油流已切换到备用滤芯筒

    4. 打开需更换滤芯筒的放气阀,缓慢释放筒内高压

    5. 确认压力完全释放后,打开端盖或法兰,取出脏滤芯

    6. 安装新滤芯,关闭端盖并确保密封可靠

    7. 缓慢打开放气阀排气,直至有连续油液流出,关闭放气阀

    8. 备用滤芯筒恢复备用状态,完成高压环境下的滤芯更换


    高压过滤原理

    FMND双筒管路高压过滤器安装在高压液压系统的主回路或控制回路中,高压油液通过过滤器入口进入,流经其中一个过滤筒内的高精度滤芯。在高压作用下,油液中的固体颗粒和污染物被滤芯截留,清洁的油液从出口流出进入下游系统。

    壳体采用高强度材料制造,能承受高达31.5MPa的工作压力,特殊的密封设计确保在高压下无泄漏。滤芯采用增强型结构,防止在高压差下发生滤芯破裂或变形。

    高压环境下的双筒设计优势

    • 安全维护:允许在系统保持运行的情况下更换滤芯,避免高压系统频繁启停带来的安全风险

    • 连续过滤:确保高压系统始终处于过滤保护状态,防止未过滤油液进入精密元件

    • 压力稳定:切换过程设计优化,最大限度减少系统压力波动

    • 操作安全:配备安全放气装置,确保更换滤芯时高压得到安全释放

    • 效率提升:减少因维护造成的停机时间,提高设备利用率

    高压系统的污染控制与保护

    在高压液压系统中,微小的污染物会造成更大的危害。当油液在高压下流动时,污染物会以更高的速度冲击元件表面,造成严重磨损、卡滞或泄漏。FMND过滤器能有效清除这些污染物,保护高压泵、伺服阀、比例阀等精密元件。

    通过控制油液清洁度,可显著降低高压系统的故障率,延长元件寿命,减少维护成本,确保高压系统安全可靠运行。



    应用领域

    FMND双筒管路高压过滤器适用于各类高压液压系统

    高压液压机

    适用于各类液压机的高压主回路过滤,保护主缸和控制缸的液压元件,确保压制精度和系统可靠性。

    注塑成型设备

    用于注塑机的高压射胶回路和锁模回路过滤,保护比例阀和伺服阀,提高制品精度和设备稳定性。

    冶金液压系统

    适用于轧机、锻造机等冶金设备的高压液压系统,耐受高温高压环境,确保设备连续稳定运行。

    矿山机械

    用于矿山液压支架、破碎机等设备的高压系统,在恶劣环境下仍能保持高效过滤性能,延长设备寿命。

    船舶液压系统

    适用于船舶甲板机械、舵机等高压液压系统,耐受振动和潮湿环境,确保航行安全。

    能源设备

    用于风电、水电设备的高压液压控制系统,在偏远地区和恶劣环境下提供可靠的过滤保护。


    新乡市平原滤器液压有限公司          豫ICP备2020032507号-2