PMA压力管路过滤器是管道输送液体过程中清除固体杂质的设备。液体流经过滤器时,其中的杂质被滤出,可保护机泵、压缩机、仪表和其它设备正常工作。MA系列产品是专为工业液压系统设计的精密组件,具备结构紧凑、性能可靠的特点,适用于各种液压动力单元和控制系统。
| 应用范围 | 广泛应用于重型机械、矿山机械、冶金机械等液压系统。 |
| 适用介质 | 矿物油、乳化液、水-乙二醇、磷酸酯液压液等(木棉定型滤纸仅适用于矿物油) |
| 咨询电话 | 15565210810 |
PMA系列压力管路过滤器为高压液压系统提供可靠保护
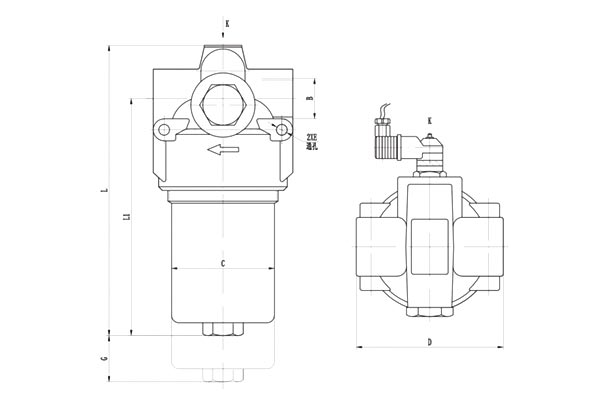
PMA系列压力管路过滤器是安装在液压系统压力管路上的关键净化设备,能够有效清除液压油中的固体颗粒和污染物,保护泵、阀、油缸等精密元件免受磨损和堵塞,确保高压系统的安全运行和延长使用寿命。
高压液压油从入口进入过滤器,通过高精度滤芯时,污染物被截留,清洁油液从出口流出。当滤芯堵塞导致压差达到设定值时,压差发讯器发出信号,提醒更换滤芯。内置旁通阀在极端情况下自动开启,防止系统超压损坏。
高强度壳体设计,耐受高压冲击
高效玻璃纤维或金属网滤芯,过滤精度高
集成式压差发讯装置,实时监控滤芯状态
紧凑型结构,节省安装空间
多种接口方式,适应不同系统连接需求
PMA压力管路过滤器的核心优势
安装在液压系统压力管路中,滤除固体颗粒、胶状物质及其他污染物,保护泵、阀、油缸等液压元件,延长设备寿命,提高系统可靠性。
提供11MPa或21MPa等多种压力等级选择,部分型号可达到36MPa,适用于各种中高压液压系统。
可在-25℃至+110℃的温度范围内稳定工作,适应大多数工业环境下的温度变化。
配备高精度压差发讯器,发讯压差可选择0.35MPa或0.5MPa,及时提醒滤芯更换,支持系统监控集成。
内置可靠旁通阀,开启压差为0.6MPa,在滤芯堵塞时自动开启保护系统,防止系统超压损坏。
提供1-100μm多种精度选择,常见3-20μm(如10μm),可根据系统需求定制,满足不同清洁度要求。
PMA系列压力管路过滤器的详细参数
PMA压力管路过滤器适用于各种高压液压系统
如何选择适合您系统的PMA压力管路过滤器
根据液压系统的最大流量选择合适的过滤器型号,过滤器的额定流量应大于系统最大流量的1.2倍,以确保过滤效果和避免压降过大。
示例:若系统最大流量为90L/min,应选择PMA-110(110L/min)型号。
PMA系列提供11MPa、21MPa和36MPa等压力等级,选择时需确保过滤器额定压力大于系统工作压力,并留有适当余量。
根据系统中最精密元件的要求选择过滤精度:
1-3μm:适用于伺服阀、精密比例阀等高精度元件
5-10μm:适用于普通比例阀、精密液压泵
20μm及以上:适用于一般液压泵、油缸、换向阀
根据系统管路尺寸和连接方式选择合适的接口,PMA系列提供G螺纹、NPT螺纹和法兰连接等多种选项。
根据系统工作温度、介质类型和环境条件选择合适的滤芯材料和壳体材质,确保过滤器能在特定环境下长期稳定工作。
根据系统监控需求选择合适的发讯装置类型和发讯压差(0.35MPa或0.5MPa),以便及时了解滤芯状态。
安装位置应便于维护和滤芯更换,同时考虑系统压力冲击对过滤器的影响。
对于高压系统,过滤器的安装支架应具有足够的强度,防止振动导致连接松动。
在选择过滤精度时,需平衡过滤效果和系统压降,过细的精度可能导致过大压降影响系统性能。
对于使用特殊液压介质的系统,需确认过滤器材料与介质的兼容性,特别是木棉定型滤纸仅适用于矿物油。
定期维护周期应根据系统污染情况和工作环境确定,建议制定合理的维护计划。
联系我们
电话: 15565210810
联系人:张娇
邮箱:3456137263@qq.com
地址: 河南省新乡市红旗区工业园海马路1号
关注官方抖音平台
关注官方百家号
关注官方微信平台新乡市平原滤器液压有限公司 豫ICP备2020032507号-2